Contact
SOCIMED
9 Chaussée jules César
Bâtiment 01
95520 OSNY
France
Lundi - vendredi : 9h30 - 18h00
Tél : 01 49 98 86 72
Mail : socimed@socimed.com
Nous contacter
Total:
0,00 €
Produit ajouté avec succès au devis !
Accueil
-
- Toutes les catégories
- Laboratoire
- Filtration et séparation
- Papier pour chromatographie
- Filtres en microfibres de verre
- Filtres analytiques quantitatifs
- Vivapore
- Système de filtration sous-vide
- Appareil de filtration sous vide
- Bouchons en silicone
- Tuyau à vide en caoutchouc
- Membranes, nitrate de cellulose
- Membranes en polycarbonate
- Membranes filtrantes
- Unités de filtration sous vide
- Unités de filtration sous pression
- Réservoirs top filtres série b
- Minisart nml-plus-gf,hydrophobes
- Minisart high flow
- Gamme vivaspin
- Papier filtre blanc
- Papiers stand. plissés ou à pl
- Micropipettes
- Micropipettes multicanaux
- Bactériologie et culture
- Manche pasteur
- Tubes de culture
- Chambre de culture lab-tek ii
- öses-inoculateurs à usage unique
- Spatules d'agitation
- Flacons pour culture cellulaire
- Inoculateur - pointe
- Fils pour manche pasteur
- Raclettes,culture cellulaire
- Flacons tubes
- Boîtes de pétri, culture cell.
- Flacon pelable-peel off
- Etaleurs pour boîtes de pétri
- Plaques multipuits, culture cell
- Socle présentoir pour barquette
- Boîtes de pétri pour hygiène
- Pétripile
- Pince,polypropylène autoclavabl
- öses à usage unique copan
- Boîtes de pétri compartimenté
- Technologie conventionnelle
- Technologie star dish
- Boîtes de pétri sterilin
- Boîtes de pétri gosselin
- Boîte de pétri en verre
- Cônes sans filtre
- Recharges expess pour rack
- Cônes standards en rack
- Recharges-kit recharge
- Cônes axygen en sac
- Cônes axygen en rack
- Cônes clinitips en vrac
- Recharges-refill kit
- Cônes unibox, recharge
- Cônes unibox, en rack
- Cônes finntip en vrac
- Cônes finntip en rack
- Cônes finntip, flex en rack
- Cônes finntip biocon
- Cônes finntip wide
- Cônes finntip en bande de 4
- Cônes finntip pdp
- Cônes diamond en vrac
- Cônes diamond en vrac ou en boîte
- Racks vides pour cônes diamond
- Cônes diamond en rack
- Recharge pour rack tower pack
- Bôite vide, tower pack
- Cônes eppendorf
- Cônes biohit
- Cônes clinitips en rack
- Cônes standards en vrac
- Identification en laboratoire
- Automates
- Spectrophotomètre - biochimie
- Automates d'hématologie
- analyseur gaz du sang
- Ionogramme
- Electrophorèse
- automates d’immunologie - Chaine elisa
- analyseur automatique d'urine
- Divers automates de laboratoire
- Automates de Biochimie
- Coagulomètres - coagulation
- Automate pour préparation de milieux de culture
- Analyseur POCT et PCR
- Appareils
- Agitateurs
- Bain-marie
- Balance de précison
- Bain à sec chauffant
- Banques de sang
- Congélateurs de plasma sanguin
- Compteurs manuels de cellules
- Hémoglobinomètre
- Hottes biologiques
- Incubateurs
- Microscopes biologique
- Réfrigérateur
- Distillateurs
- Accessoires de distillateurs
- Ensemenseur et lecteurs de colonies
- PH-Mètres
- Divers
- Congélateurs
- Biologie moléculaire
- Pipettes plastique et verre
- Pipetage autonome
- Microtubes
- Microtubes 0,6 ml maxiclear
- Microtubes eppendorf
- Portoirs onehand
- Microtubes 2 ml maxiclear
- Microtubes 1,5 ml maxiclear
- Microtubes 1,7ml maxiclear
- Microtubes à vis micrewtube
- Microtubes standards
- Portoirs unirack
- Microtubes maxymum
- Paniers, fil d'acier inox , anse
- Portoirs en fil d'acier inox
- Couvercle, portoirs unirack
- Portoirs flottants
- Portoirs kartell
- Portoirs pvc
- Portoirs en altuglass
- Portoirs en polypropylène
- Tubes
- Tubes sodocalciques, bord droit
- Tubes sodocalciques, col a vis
- Cloches de durham
- Capsules en aluminium
- Tubes bord droit
- Tubes bord droit 5 ml
- Tubes bord droit fond rond
- Tubes à vis
- Tubes à centrifuger fond conique
- Tubes à centrifuger 30 ml
- Tubes à centrifuger 50 ml
- Tubes à centrifuger 15 ml
- Tubes à centrifuger 50 ml ceb
- Bouchons pour tubes en plastique
- Bouchons coiffants vacucap
- Tubes fond rond, bord droit
- Tubes fond rond, col à vis
- Bouchons à vis
- Bouchons coiffants-kimkap
- Capuchons coiffants
- Cap-o-test
- Bouchons en ouate de cellulose
- Histo-cyto-pathologie
- Coloration des lamelles
- Hématologie
- Conservation et cryogénie
- Accessoires et consommables pour cryogénisation
- Stylo-feutre pour marquage sur verre et plastique en Laboratoire
- Boîtes à congélation pour microtubes
- Boîtes en polycarbonate pour Cryovials
- Tubes cryogéniques-Cryovials à bouchon coiffant
- Tubes cryogéniques-Cryovials à bouchon rentrant
- PASTILLES DE COULEUR à insérer dans le bouchon des Cryovials pour identification
- Systèmes permettant la congélation de tout échantillon biologique (Sérokit)
- Système de conservation d'échantillons biologiques au congélateur (Serothèque serobox)
- Système de stockage et transport d’échantillons biologiques
- Boîte de stockage pour micrewtube
- manipulation, transfert et le stockage d’échantillons biologiques
- Cuves et cupules
- Distribution répétitive
- Cônes avec filtre
- Micropipettes électroniques
- Flacons
- Flacons vissant non étiquetés
- Flacons étiquetés personnalisés
- Flacons de 125 ml à 200 ml
- Flacons tronconiques de 125 ml
- Flacons avec cape attenante
- Large ouverture 50 à 2000 ml
- Large ouverture 150 à 2500 ml
- Carrés, gradués 500 et 1000 ml
- Flacons de sécurité à vis
- Prélèvement, double emballage
- Flacons zinsser, à scintillation
- Pots tronconiques
- Seaux à usage unique
- Pots à usage unique
- Flacons en verre avec col à vis
- Flacon pilulier en verre 30 ml
- Verre borosilicaté type iso
- Pots à prélèvement apyrogène
- Fermeture cape inviolable
- Accessoires pour flacon col gl45
- Flacon en verre transparent
- Petits matériels de laboratoire
- Flacons PE-BD
- Coloration / lames
- Présentation des lames porte-objets
- Colorants et réactifs
- Coloration de Gram Hücker
- Mycologie
- Autres colorants en poudre
- Huile à immersion
- Colorant pour microbiologie MERK
- Kit de Coloration et colorants
- colorants pour hématologie Merk
- colorants pour hématologie RAL
- Kit RAL 555 et recharges
- Coloration des frottis sanguins
- Cytologie et histologie RAL
- Cytologie et histologie MERK
- Coloration de Gram-Nicolle
- Coloration de Ziehl-Neelsen
- Coloration Ziehl-Armand&Neelsen
- Recharge pour col. fluorescente
- Réactifs
- Kits de contrôle urinaire
- Archivage des lames
- Marquage des lames
- Accessoires de coloration
- Spectrophotométrie
- Microtitration
- Cellule à numération
- Eau et solution
- Microscopie et coloration
- Centrifugeuses de laboratoire
- Tests Paludéen
- Microbiologie
- Paillasse de laboratoire
- Filtration et séparation
- Fournitures générales
- Essuyage
- Oxygénothérapie
- Paravent
- Refrigérateur mixte
- Protection
- Couvercles pvc
- Mini boîte de transport
- Etiquettes autocollantes
- Fourreau d'expédition
- Cryopack
- Transport de matières infectieuses
- Sacs de transport isothermes
- Sacs de transport isothermes et résistants
- Pack froid - froid positif
- Enregistreur de temperature
- Sac de transport antichoc minibag
- Boîtes pour prélèvements sanguin
- Boîtes pour le transport des flacons
- Couvercles carton pré-imprimés
- Boîtes d'expédition pour échantillons biologiques
- Sachets fermeture à glissière
- Pochettes d'expédition postale
- Sachets de sécurité : diagnoba
- Pochettes plastique minigrip
- Sachets hermétiques en saranex
- Sacs en polyéthylène
- Boîte de transport ou d'expédition pour tubes flacons et lames
- Marquage par tampographie
- Megabox et portoir mousse
- Megabox et portoir thermoformé
- Sachet de gel et poudre absorbants
- Accessoires pour Megabox petit / grand modèle
- Clichés pour couvercles
- Blouses blanches en non-tissé
- Tablier
- Combinaison tyvek laboratoire
- Charlotte blanche non-tissé
- Protection du corps
- Kit d'urgence
- Parafilm
- Papier joseph
- Papier aluminium
- Papier absorbant
- Lunettes de protection
- Moustiquaires imprégnées
- Morgue (accessoires)
- Plastique
- Oxygénothérapie et accéssoires
- Doppler foetal
- Absorbeur de gaz d'anesthésie
- Divers
- Endoscopie
- Aide à la marche
- Distributeur de préservatifs
- Chariots divers
- Congélateur mixte
- Vitrines
- Alcool éthylique (ENA)
- Seringues en verre
- physiothérapie
- Matériel de Dialyse
- Vétérinaire
- Matériel de formation - apprentissage
- Glacières
- Consommable usage unique
- Gants de Protection et d'Examen Médicaux
- Gants anti-coupure
- Gants d'examen safeskin critical
- Gants d'examen safeskin controlled
- Gants en Latex Usage Unique
- Gants d'examen semperclean mc
- Gants textile
- Gants synthétique de protection
- Gants d'examen digitil plus
- Gants d'examen synthétiques
- Gants d'examens sans latex
- Gants de soins en vinyle
- Gants d'examens et Doigtiers en latex
- Gants d'examens en nitrile
- Gants de chirurgies stériles
- Instrumentation médicalesà UU en plastique
- Prélèvements sanguins-accessoires
- Microperfuseur à ailette
- Lancettes
- Garrots tourniquet
- Obturateurs pour cathéters à usage unique
- Dispositif surgicutt
- Corps de prélèvement
- Porte-tube pr venoject,venosafe
- Aiguille à prélèvement multiple Venoject
- Unité de prélèvement à ailettes
- Tube de prélèvement en p.e.t
- Dispositif DIFF-SAFE
- Tube sec 10 ml pour sérum
- Tubes capiject
- Cathéters intraveineux surflo
- Adaptateurs luer à uu
- Test de glycémie
- Aiguille de prélèvement sanguin
- Aiguilles et seringues
- Prélèvements bactériologiques
- écouvillons secs à usage unique
- Milieux de transport conservation
- Ecouvillons simples avec milieu de transport
- Ecouvillons doubles avec milieu de transport
- Flacon avec thiosulfate de sodium
- Kit copro-duo et Kit hemo-fec
- Spatules
- Pots pour coprologie
- Dispositifs spécialisés
- Curettes en inox
- Abaisse-langue en bois à usage unique
- Prélèvements cytologiques
- Pansements et Sparadraps
- Compresses-Cotons-Ouates de célluloses
- Prélèvements urinaires
- Injection & Perfusion
- Drap d'examen et champs de soins
- Masques
- Gants de Protection et d'Examen Médicaux
- Diagnostic
- Marteaux de percussion
- Instruments dermatologiques
- Laryngoscopes Vidéos
- Oximètre de pouls
- Miroir & lampe frontal
- Lampe d'examen
- Stéthoscopes
- Instruments gynécologiques
- Laryngoscopes Classiques et à F.O.
- Thermomètres
- Tensiomètre anéroïde
- Tensiomètre à mercure ou sans mercure
- Auto-tensiomètre
- Perfuseur à pression
- Dynamomètres
- Malettes / sacoches de médecin
- Mesure de la pression pulmonaire
- Diapasons
- Congestion sanguine
- Projecteurs de lumière froide
- Electrocardiographe
- Pese bebes & personnes
- Papiers thermiques schiller
- Papiers thermiques cardioline
- Papiers thermiques nihon khoden
- Papiers thermiques hp
- Papiers thermiques marquette
- Papier thermique hellige
- Otoscope / Ophtalmoscope
- Divers
- Equipements pour l'ophtalmologie
- Lampe à fente
- Auto-réfratomètre - kératomètre
- Projecteur de tests - afficheur d'optotypes
- Frontofocomètres
- Verres - lunettes - Mallettes d'éssai
- Echèlle d'acuité visuelle - Test visuel
- Biomètres - Pachymètres
- Mobilier d'ophtalmologie
- Exploration
- Microscopes ophtalmiques
- Divers materiel d'ophtalmologie
- Tonomètre
- Atelier de l'opticien
- Lutte contre les Pandémies
- Audiomètre de Dépistage
- Cardiologie - Holter
- Matériels et Accessoires de Kinésithérapie
- Brassard
- Electrodes ECG
- Electroencéphalographie
- Otologie
- Papier ECG EDAN
- ORL
- Appareils de Kinésithérapie
- Système EEG
- Fixations lampe d'examen
- Elastométrie Hépatique
- Radiologie & échographie
- Accessoires d'imagerie
- Minuterie - chronomètre
- Duplicateurs de films
- Lunettes de protection plombées
- Tabliers plombés demi
- Vestes et jupes plombés
- Tabliers plombés pour enfants
- Enregistreurs et magnétoscopes
- Lampe forte intensité
- Loupe
- Protection des gonades
- Protections de la tête et du cou
- Protection des ovaires
- Tabliers plombés de chirurgie
- Supports pour tabliers plombés
- Gants de radioprotection
- Contrôle de qualité
- Matelas radio-transparent
- Mélangeur de bains
- Caches plombées
- Protection des Films de radiographie
- Imprimante mitsubishi
- Imprimante vidéo sony
- Imagerie médicale
- Cassette de Radiographie
- Papier thermique sony
- Papier thermique mitsubishi
- Mobilier d'imagerie
- Lampe inactinique et filtres
- Lettres en plomb ou en laiton
- Paravents et Rouleaux en plomb
- Grilles anti-diffusantes
- Positionnement du patient
- Sécheuse de films
- Chauffe bains
- Appareils de radiographie
- Moniteurs lcd
- Dosimètres
- Echographe numérique
- Films de radiographie
- Film dentaire intra-oral
- Film de radiographie KODAK DVB
- Film KODAK MIN-R 2000
- Film KODAK MIN-R L
- Film AGFA HT-G
- Film AGFA CRONEX 5
- Film AGFA HDR C
- Film AGFA HDR C Plus
- Film AGFA CP-G
- Film AGFA CP-Bu
- Film AGFA DRYSTAR DT1B
- Film AGFA DRYSTAR DT2B
- Film FUJI HR-T
- Film FUJI DI-AL
- Film FUJI DI-HL
- Film FUJI AD-M
- Films radiographiques conventionnel et Film dentaire intra-oral
- Film FUJI DI-HT
- Film radiographique conventionnel
- Produits chimique développement
- Cadre de développement de film de radiologie
- Bacs de développement manuel
- Négatoscopes-lampes-loupes
- Tablier plombé
- Accessoires pour chambre noire
- Marquage et mesure de films
- Developpeuse automatique de film
- Gel ultrasons
- Systèmes de Numérisation
- Consommables de radiographie
- Accessoires d'imagerie
- Matériel inox&Instruments médicaux
- Plateaux
- Pinces
- Pince de halstead
- Pince de kelly
- Pince de rochester pean
- Pince de kocher
- Pince de péan
- Pince de leriche
- Pince de bengolea
- Pince tenaille de pauchet
- Pince d'ombredanne
- Pince clamp de doyen(coprostase)
- Pince d'allis
- Pince de babckok
- Pince de chaput
- Pince de terrier
- Pince de duval
- Pince de bozemann
- Passe fil de finochietto
- Dissecteur de semb
- Dissecteur d'O shaugnessy
- Pince en coeur
- Dissecteur de barraya
- Pince clamp de weiss
- Pince de backauss
- Pince de jayle
- Pince crabe
- Pince de magill
- Pince de hartman
- Pince à décapsuler
- Pince de satinski
- Pince de christophe
- Pince pour saisir les instrument
- Pince clamp bulldog de j.h.
- Pince à poser les agraphes
- Pinces de Carrel
- Pince Gouge Luer
- Chirurgie osseuse
- Scies
- Burin de mac even
- Burin de stille
- Osteotome de lambotte
- Gouge de stille
- Autres instruments pour chirurgie osseuse
- Chasse greffon
- Perforateur à main d'hudson
- Etrier kirschner
- Etrier americain
- Etrier de bolher
- Etrier de crutchfield
- Retracteur de percy
- Couteau de smillie
- Curette de volkmann
- Extracteur de broche à inertie
- Couteau à amputation
- Stylet olivaire
- Syndesmotome de chompret
- Porte coton
- Clou de Kuntscher
- Mèches
- Guide - Clou
- Burin Faraboeuf
- Rugines
- Pointes Carrées
- Matériel Intra-Osseux
- Plaques de verrouillage orthopédique
- Instrumentation de suture
- Pinces de michel
- Agrafes de michel
- Aiguilles de reverdin
- Porte-aiguilles mayo hegar
- Nécessaire de michel
- Aiguille de deschamps
- Aiguilles intestinale
- Porte-aiguilles de doyen
- Porte-aiguilles crile-wood
- Porte-aiguilles de castroviejo
- Porte-aiguilles de mathieu
- Porte-aiguilles de halsey
- Porte-aiguilles de masson
- Porte-aiguilles de finochietto
- Magasin à agrafes
- Ciseaux
- Ciseaux mousses
- Ciseaux pointus
- Ciseaux dauphin
- Ciseaux de mayo
- Ciseaux de metzembaum
- Ciseaux iridectomie
- Ciseaux strabisme
- Ciseaux de spencer
- Ciseaux de lister
- Ciseaux de vezien
- Ciseaux à couronne
- Ciseaux à ongles
- Ciseaux de bengolea
- Ciseaux usages multiples
- Ciseaux couturière
- Ciseaux de castroviejo
- Ciseaux de goldmann
- Ciseaux de gesco
- Ciseaux de steven
- Ciseaux de dubost
- Ciseaux de dubois
- Ciseaux de sims
- Ciseaux à épisiotomie
- Rasoir métal
- Instruments de dermatologie
- Instruments de pédicurie
- Autres instruments pour la gynécologie
- Instruments de gynécologie
- Spéculum de collin
- Spéculum de graves
- Spéculum de cusco
- Instrumentations divers
- Dilatateur de hegar
- Pince de foerster
- Pince longuette
- Pince de museux
- Pince de JL faure
- Pince de douay
- Curette de gourdet
- Curette de sims
- Canule de frazier
- Sonde vesicale metallique
- Pince randall mirizzi
- Séringue hystérographie
- Canule de yankauer
- Valve de doyen
- Ecarteurs
- Ecarteur de farabeuf
- Ecarteur de hartmann
- Ecarteur de weitlaner
- Ecarteur de beckmann
- Ecarteur de gelpi
- Ecarteur de richardson
- Ecarteur de cushing
- Ecarteur de deaver
- Valve de kelly
- Lame lardennois
- Ecarteur de volkman
- Ecarteur d'alm
- Blépharostat de bowman
- Blépharostat de barraquer
- Ecarteur de gosset
- Ecarteur de balfour
- Ecarteur de finochietto
- Ecarteur de ricard
- Ecarteur de collin
- Ecarteur de hrynschak
- Ecarteur de tuffier
- Ecarteur de joll friedmann
- Pinces à disséquer
- Instruments o.r.l.
- Pince de troeltsch
- Pince de lucae
- Aiguille à paracentèse
- Manche de politzer
- Anse de billeau
- Aiguille de politzer
- Spéculum de killian
- Tire langue de laborde
- Ecarteur de laborde
- Amygdalotome
- Seringues pour oreilles
- Diapason
- Ouvre bouche de doyen
- Curette de chatellier
- Compas de rochard
- Ecarteur de senn muller
- Ecarteur d'ollier
- Ecarteur de d'autrey
- Ecarteur de love
- Rapprocheur costal de bailey
- Couteau de saint clair thomson
- Couteau de beckmann
- Miroir laryngiens
- Divers instruments pour l'ORL
- Divers
- Boîtes composées
- Instruments tungstene
- Anuscope de bensaude
- Conteneur
- instrumentation pour l'ophtalmologie
- Mobilier médical
- Fauteuil chaise visiteur
- Armoire hospitalière
- Table à manger au lit-Assistant muet
- Elimination déchets
- Pieds à Perfusion et Potences Médicales
- Berceaux à usage médical
- Escabeau médical
- Fauteuils de prélèvements
- Fauteuils roulant
- Porte cupules mobile
- Divan d'examen à tube carré
- Brancard amovible
- Tabouret
- Divers
- Table de chevet
- Lits Médicalisés et Mobiliers pour chambre médicalisée
- Tabouret siège opérateur chirurgie
- Chariot médical
- Unité de consultation pour ORL
- Divan d'examen à tube Rond
- Divan d'examen gynécologique
- Station de musculation
- Mobilier de Bureau
- Stérilisation hygiène
- Désinfectants, antiseptiques
- Désinfection des mains et des instruments
- Nettoyeurs à ultrasons
- Poupinel - stérilisateur
- Désinfection sols et surfaces
- Désinfection des instruments
- pulvérisation désodorisant
- Autoclave de table ou de paillasse classe B
- Autoclave vertical-stérilisateur
- Accessoires pour autoclave
- Broyeur pour déchets hospitaliers
- Autoclaves de classe S ou N
- Emballages et indicateurs de stérilisation
- Lampes de stérilisation à ultraviolet
- Appareils et Matériels de Buanderie
- Désinfection par voie aérienne
- Bloc-opératoire réanimation
- Lampe Opératoire et scialytique
- Consommables
- Aspirateur chirurgical
- Respirateur de réanimation
- Appareils d'anesthésie
- Moniteur multiparamètres
- Pousse seringues
- Pompe à perfusion
- Bistouri électrique
- Table à instruments mayo-kocher
- Table d'opération
- Tables et lits d'accouchement
- Lavabo chirurgical
- Colposcope
- Cardiotocographe
- néonatologie et réanimation
- Concentrateur d'oxygène
- Moniteur défibrillateur
- Endoscopie, Fibroscopie
- Système de purification eau
- Ventouse obstétricale
- Appareil d'aérosolthérapie
- Appareil CPAP pour l'apnée du sommeil
- Cardiotocographe accessoires
- Divers appareils du Bloc
- Électrocautères, Stylo à cautériser
- Système d'oxygénation
- Dentaire
- Radiographie dentaire
- Meubles - mobilier de dentistes
- Accessoires pour meubles
- Compresseurs pour soin dentaires
- Fauteuil dentaire
- Accessoires fauteuils dentaire
- Détartreur
- Aéropolisseur
- Micro moteurs
- Instruments dentaire
- Davier dentaire
- Porte matrice universel
- Arrache couronne à inertie
- Miroir dentaire
- Compas iwanson
- Curette de brugirard
- Curette double
- Excavateur double fin
- Fouloir double
- Spatule de ciment
- Spatule de bouche
- Spatule de heidman
- Sonde pour exploration
- Pince de london college
- Pince de meriam
- Pince de adson
- Fraise pour soins dentaire
- Précelles pour soins dentaire
- Elévateur pour soins dentaire
- Pince coupante
- Forets dentaires
- Tabourets pour dentistes
- Consommable dentaire
- Thermoformeuse
- Sableuses
- Divers
- Promotions
- Top Ventes
- Incontournables
- Nouveautés
- Black Friday
- Laboratoire
- Toutes les catégories
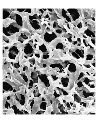
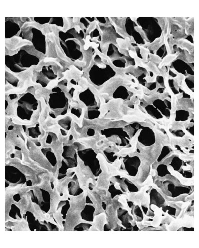
Membranes filtrantes
Affichage 1-10 de 10 article(s)
Filtres actifs
Membranes filtrantes, Nitrate de cellulose, type 113, Dia: 25 mm
98,96 € HT
118,75 € TTC
Membranes filtrantes, Nitrate de cellulose, type 113, Ø: 25 mm;
Membranes filtrantes, Acétate de cellulose, type 111, Dia: 47 mm
999 999,00 € HT
1 199 998,80 € TTC
Membranes filtrantes, Acétate de cellulose, type 111, Ø: 47 mm
Membrane filtrantes, Acétate de cellulose, type 111, Dia: 25 mm
84,80 € HT
101,76 € TTC
Membrane filtrantes, Acétate de cellulose, type 111, Ø: 25 mm
Membrane filtrantes, Acétate de cellulose, type 111, Dia: 47 mm
113,86 € HT
136,63 € TTC
Membrane filtrantes, Acétate de cellulose, type 111, Ø: 47 mm
Membrane filtrantes, Acétate de cellulose, type 111, Dia: 25 mm
84,80 € HT
101,76 € TTC
Membrane filtrantes, Acétate de cellulose, type 111, Ø: 25 mm
Membranes filtrantes, polyamide, type 250, Dia: 25 mm
999 999,00 € HT
1 199 998,80 € TTC
Membranes filtrantes, Polyamide, type 250, Diam 25mm;
Membranes filtrantes, polyamide, type 250, Dia47mm
136,40 € HT
163,68 € TTC
Membranes filtrantes, Polyamide, type 250, Diam 47mm;
Membranes filtrantes, polyamide, type 250, Dia: 25mm
999 999,00 € HT
1 199 998,80 € TTC
Membranes filtrantes, Polyamide, type 250, Diam 25mm;
Membranes filtrantes, nitrate de cellulose, type 113, Dia : 47mm
117,13 € HT
140,56 € TTC
Membranes filtrantes, Nitrate de cellulose, type 113, Ø: 47 mm
